网站首页
> 产品中心
> 钻孔爆破
> 查看详情
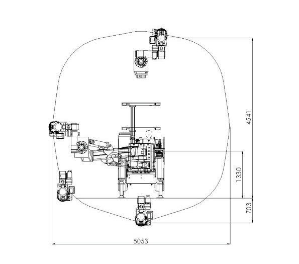
产品概述:
操控视野好、适用断面范围内均可坐姿操作:视野人机工程校核设计,可满足适用断面范围内操作手全程坐姿操作,降低操作手工作强度
适用工况:
适用于地下矿山、水电、铁路、公路等领域的巷道、隧道掘进时所需爆破孔和锚杆孔作业;
设备咨询,索取报价 400-876-0508
产品介绍
Product introduction
.jpg)



产品参数
Product parameters

推荐产品
Recommended Products

XMPYT-55.4/179 撬毛台车
性能特点: 性能特点: XMPYT-55.4/179 撬毛台车采用电控系统读取发动机的转速和负荷信息,实时精准控制油泵排量,防止过载熄火,有效保护发动机和驱动系统。 配置无线遥控系统,可远程实现台车行走和作业,安全性更高。

PX3016 IM1轮式湿喷机
性能特点:
PX3016 IM1轮式湿喷机是全新一代智能型湿喷机械手;
智能化系统、超低回弹系统、超强泵送系统及专利布管技术解决行业痛点;

PX3016 S6轮式湿喷机
性能特点:
PX3016 S6轮式湿喷机是一款大型隧道初期支护混凝土喷射机械臂;
采用优质的原材料,先进的制作工艺,采用专用工程底盘与混凝土喷射机械臂完美结合;
电机与发动机双动力系统,具有喷射作业面大、速度快(最大喷射能力达到30方/小时)。
相关案例
Related cases
版权所有:湖南鹏翔致远智能装备有限公司 备案号:湘ICP备2026011053号-1 技术支持:智优赢家